Deurveerscharnier HAWGOOD 41/40 kunststof zwart 40 mm
Deurveerscharnier HAWGOOD 41/40 kunststof zwart 40 mm
Lees meer€ 149,95 Per paar
Op voorraad
Vóór 15:00 besteld, vandaag verzonden.
Op voorraad
- Vóór 15:00 besteld, vandaag verzonden
- 30 dagen recht op retour
- Bestellingen boven de € 99,- Gratis verzonden
- Garantie informatie
Productomschrijving
Deurveerscharnier HAWGOOD 41/40 kunststof zwart 40 mm
Kenmerken
Geïntegreerde vastzetting in beide richtingen onder een hoek van ongeveer 90°
De deur stopt zeer snel met zwaaien en veroorzaakt daardoor weinig lawaai
Onderhoud
Om optimale prestaties en een zo lang mogelijke levensduur te bereiken, moeten de DICTATOR HAWGOOD deurveerscharnieren regelmatig worden gereinigd en moeten alle bewegende en roterende delen worden gesmeerd.
| Merk: | Dictator |
| Materiaal: | kunststof schoen, plaat staal verzinkt |
| Dikte van de deur: | 40 mm |
| Gewicht van de deur | max. 45 kg |
| Breedte van de deur | max. 1000 mm |
| Openingshoek: | max. 95° |
| Vastzetting: | op ongeveer 90° |
Montage
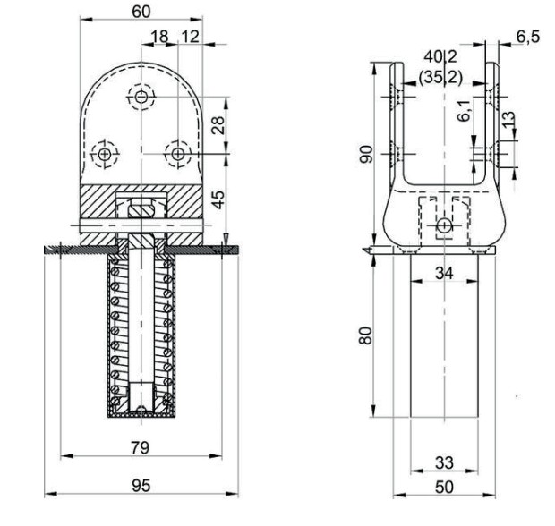
Per deur zijn er minstens twee scharnieren nodig. Deze moeten ca. 120 mm onder de bovenrand of boven de onderrand van het deurblad worden gemonteerd.
Boor eerst een gat voor de veerbuis in het kozijn: diameter 38 mm, diepte van het gat ca. 90 mm. Het gat moet in het midden van het kozijn worden gecentreerd en nauwkeurig onder een hoek van 90° ten opzichte van de rand worden geboord.
Vervolgens markeert u de afmetingen van de bevestigingsplaat op het kozijn en plaatst u het scharnier van de deurveerscharnier in het gat. Zorg ervoor dat er rondom de kunststofbuizen ruimte is, anders kan de veer in de kunststofbuis niet goed werken. De plaat moet ook evenwijdig aan de rand van het kozijn zijn. Verwijder de deurveerscharnier en hak de afgetekende bevestigingsplaatjes (4 mm dik) uit, zodat de bevestigingsplaat gelijk ligt met het deurkozijn. Boor nu de bevestigingsgaten, plaats het scharnier van de deurveerscharnier in het gat en schroef de plaat op het kozijn.
BELANGRIJK: de schoen moet precies in een rechte hoek met het kozijn worden geplaatst om ervoor te zorgen dat de deur volledig sluit.
Als het deurblad dikker is dan de binnenkant van de schoen, moet het deurblad aan beide zijden evenveel worden verkleind tot de noodzakelijke dikte.
Steek de deur in de schoenen en boor de bevestigingsgaten. Zorg ervoor dat de bevestigingsschroeven stevig in de deur zitten.
LET OP:
Als de gaten voor de bevestiging van de schoen aan de deur niet precies in het midden van de gaten in de schoen passen, kan de schoen een beetje kromtrekken als hij wordt aangedraaid en vast komen te zitten tegen de veerpen.
Deuren die meer dan 100° kunnen worden geopend, moeten bovendien worden voorzien van een mechanische deurstopper of iets dergelijks.
Alle maten zie afbeelding 2.
Productspecificaties
Deurveerscharnier HAWGOOD 41/40 kunststof zwart 40 mm



Beoordelingen
Er zijn nog geen beoordelingen