DX Inboorpaumelle voor houten deuren en kozijnen satijn verchroomd
Inboorpaumelle voor houten deuren en kozijnen satijn verchroomd
Lees meer€ 3,70 Per stuk
Op voorraad
Vóór 15:00 besteld, vandaag verzonden.
Op voorraad
- Vóór 15:00 besteld, vandaag verzonden
- 30 dagen recht op retour
- Bestellingen boven de € 99,- Gratis verzonden
- Garantie informatie
Productomschrijving
Inboorpaumelle voor houten deuren en kozijnen satijn verchroomd
Technische informatie
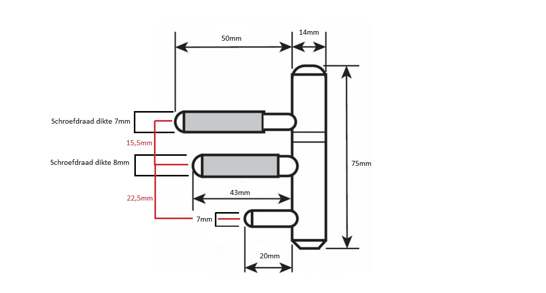
Inboorpaumelle Ø 14 mm met zwart nylon ring. Deze inboorpaumele is geschikt voor houten deuren en kozijnen. Het materiaal is staal satijn verchroomd.
Productspecificaties
Productnummer
DM6001.475.5643
EAN
8714140158102
Materiaal
Staal
Kleur
Zilver
Finish
Chroom Mat
Scharnier type
Paumelle
Reviews
1-2 van 10 beoordelingen
Beoordeling toevoegen
DX Inboorpaumelle voor houten deuren en kozijnen satijn verchroomd
Je beoordeling
* Beoordeling is vereist
Naam
* Naam is vereist
E-mail
* E-mail is vereist
Hulp nodig?
Contactformulier
Antwoord binnen 1 werkdag


Prima product. Goedkoper dan in de bouwmarkten. Ik ben dik tevreden
Goed product. Gemakkelijk te installeren.