DX Kogelsnapslot massief messing vernikkeld 70x13mm
Kogelsnapslot massief messing vernikkeld 70x13mm
Lees meer€ 7,10 Per stuk
Op voorraad
Vóór 15:00 besteld, vandaag verzonden.
Op voorraad
- Vóór 15:00 besteld, vandaag verzonden
- 30 dagen recht op retour
- Bestellingen boven de € 99,- Gratis verzonden
- Garantie informatie
Productomschrijving
Kogelsnapslot massief messing vernikkeld 70x13mm
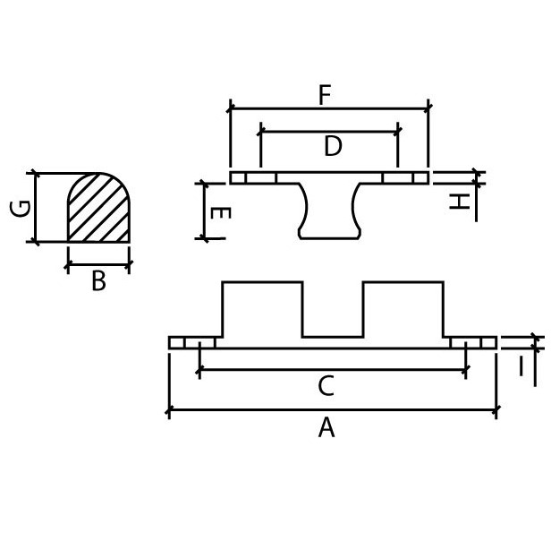
| Maat A: | 70 mm |
| Maat B: | 13 mm |
| Maat C: | 57 mm |
| Maat D: | 30 mm |
| Maat E: | 12 mm |
| Maat F: | 30 mm |
| Maat G: | 41 mm |
| Maat H: | 1.9 mm |
| Maat I: | 2.3 mm |
| Zie afbeelding 2 |
Productspecificaties
Productnummer
DM0413.401.7013
EAN
8714140024513
Materiaal
Messing
Kleur
Zilver
Finish
Vernikkeld
Beoordeling toevoegen
DX Kogelsnapslot massief messing vernikkeld 70x13mm
Je beoordeling
* Beoordeling is vereist
Naam
* Naam is vereist
E-mail
* E-mail is vereist
Hulp nodig?
Contactformulier
Antwoord binnen 1 werkdag


Beoordelingen
Er zijn nog geen beoordelingen