Nemef dag en nachtslot 1446 met staal gelakte voorplaat
Nemef dag en nachtslot 1446 met staal gelakte voorplaat
€ 31,95 Per stuk
Op voorraad
Vóór 15:00 besteld, vandaag verzonden.
Op voorraad
- Vóór 15:00 besteld, vandaag verzonden
- 30 dagen recht op retour
- Bestellingen boven de € 99,- Gratis verzonden
- Garantie informatie
Productomschrijving
Nemef dag en nachtslot 1446 met staal gelakte voorplaat
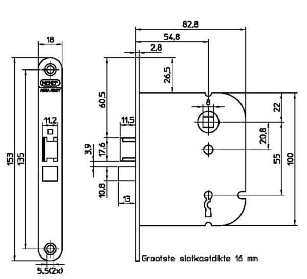
Het Nemef binnendeurslot 55mm standaard is een eenvoudig slot voor je binnendeur met dag- en nachtschoot. De dagschoot is omkeerbaar voor links- en rechtsdraaiende deuren. De voorplaat is 153mm lang en de slotkast is 83mm bij 100mm. De voorplaat van het slot is wit gelakt.
Specificaties:
Zowel links als rechts toepasbaar.
De dagschoot van dit insteekslot is omlegbaar. Zie bovenstaande video.
De doornmaat is 55 mm.
Dit slot word geleverd met een sluitplaat en sleutel.
Voor alle maten, zie afbeelding 2.
Productspecificaties
Reviews
Nemef dag en nachtslot 1446 met staal gelakte voorplaat



Zocht een slot ter vervanging van een 40 jaar oud nemef slot, Dit slot was een prima vervanging, waren geen aanoasingen nodig.
Prima, precies het slot wat ik zocht.