DX Profielschuif vlak messing 80 x 35 mm
Profielschuif vlak messing 80 x 35 mm
Lees meer€ 6,50 Per stuk
Op voorraad
Vóór 15:00 besteld, vandaag verzonden.
Op voorraad
- Vóór 15:00 besteld, vandaag verzonden
- 30 dagen recht op retour
- Bestellingen boven de € 99,- Gratis verzonden
- Garantie informatie
Productomschrijving
Profielschuif vlak messing 80 x 35 mm
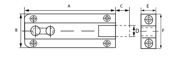
Dit profielschuifje is geschikt voor deur, raam, of luik.
Zie tekening in de afbeelding!
| Maat A | 80 mm |
| Maat B | 35 mm |
| Maat C | 14 mm |
| Maat D | 11,5 mm |
| Maat E | 14 mm |
| Maat F | 35 mm |
Productspecificaties
Productnummer
DM0412.331.3580
EAN
8714140023646
Materiaal
Messing
Kleur
Goud
Finish
Gepolijst
Reviews
1-1 van 1 beoordeling
Beoordeling toevoegen
DX Profielschuif vlak messing 80 x 35 mm
Je beoordeling
* Beoordeling is vereist
Naam
* Naam is vereist
E-mail
* E-mail is vereist
Hulp nodig?
Contactformulier
Antwoord binnen 1 werkdag


Schuifje kwam goed aan op tijd.