DX Profielschuif vlak vernikkeld 80 x 25 mm
Profielschuif vlak vernikkeld 80 x 25 mm
€ 4,50 Per stuk
Op voorraad
Vóór 15:00 besteld, vandaag verzonden.
Op voorraad
- Vóór 15:00 besteld, vandaag verzonden
- 30 dagen recht op retour
- Bestellingen boven de € 99,- Gratis verzonden
- Garantie informatie
Productomschrijving
Profielschuif vlak vernikkeld 80 x 25 mm
Dit profielschuifje is geschikt voor deur, raam, of luik.
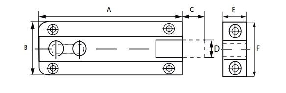
Zie tekening in de afbeelding!
| Maat A | 80 mm |
| Maat B | 25 mm |
| Maat C | 10 mm |
| Maat D | 8 mm |
| Maat E | 10 mm |
| Maat F | 25 mm |
Productspecificaties
Productnummer
DM0412.220.2580
EAN
8714140023370
Materiaal
Messing
Kleur
Zilver
Finish
Vernikkeld
Beoordeling toevoegen
DX Profielschuif vlak vernikkeld 80 x 25 mm
Je beoordeling
* Beoordeling is vereist
Naam
* Naam is vereist
E-mail
* E-mail is vereist
Hulp nodig?
Contactformulier
Antwoord binnen 1 werkdag


Beoordelingen
Er zijn nog geen beoordelingen